HSZ型系列手拉葫蘆采用對稱排列二級正齒輪傳動結構。它可與單軌行車配套使用組成起重運輸小車,用于單軌架空運輸,或用于手動單梁起重機和懸臂式起重機上,是一種使用廣泛,攜帶方便的手動起重機械,可用于工業、農業建筑業、礦業等的機器安裝、貨物起吊、車輛裝卸等,尤其適用于露天及無電源作業。
HSZ型手拉葫蘆為改良的產品,機構更趨合理,體積小,重量輕,貼近市場所需,一直暢銷國內外市場,是一種使用廣泛,攜帶方便的手動起重機械,可用于工業、農業建筑業、礦業等的機器安裝、貨物起吊、車輛裝卸等,尤其適用于露天及無電源作業。

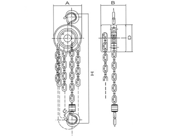
金川燕牌HSZ手拉葫蘆(國際版)
嚴禁超載使用。嚴禁用人力以外的其他動力操作。在使用前須確認機件完好無損,傳動部分及起重鏈條潤滑良 好,空轉情況正常。起吊前檢查上下吊鉤是否掛牢。嚴禁重物吊在尖端等錯誤操作。起重鏈條應垂直懸掛,不得有錯扭的鏈環,雙行鏈的下吊鉤架不得翻轉。
操作者應站在與手鏈輪同一平面內拽動手鏈條,使手鏈輪沿順時針方向旋轉,即可使重物上升;反向拽動手鏈條,重物即可緩緩下降。在起吊重物時,嚴禁人員在重物下做 任何工作或行走,以免發生人身事故。在起吊過程中,無論重物上升或下降,拽動手鏈條時,用力應均勻和緩,不要用力過猛,以免手鏈條跳動或卡環。操作者如發 現手拉力大于正常拉力時,應立即停止使用。

金川燕牌HSZ手拉葫蘆(國內版)

| 型號 | HSZ-1/2 | HSZ-1 | HSZ-1/2 | HSZ-2 | HSZ-3 | HSZ-5 | HSZ-10 | HSZ-20 | |
| 起重量(噸) | 0.5 | 1 | 1.5 | 2 | 3 | 5 | 10 | 20 | |
| 標準起重高度(米) | 2.5 | 2.5 | 2.5 | 2.5 | 3 | 3 | 3 | 3 | |
| 試驗載荷(噸) | 0.75 | 1.5 | 2.25 | 3 | 4.5 | 7.5 | 12.5 | 25 | |
| 兩鉤間最小距離(毫米) | 270 | 270 | 368 | 444 | 486 | 616 | 700 | 1000 | |
| 滿載時手鏈拉力(牛頓) | 225 | 309 | 343 | 314 | 343 | 383 | 392 | 392 | |
| 起重鏈行數 | 1 | 1 | 1 | 2 | 2 | 2 | 4 | 8 | |
| 起重鏈條圓鋼直徑(毫米) | 6 | 6 | 8 | 6 | 8 | 10 | 10 | 10 | |
| 主要尺寸(毫米) | A | 120 | 142 | 178 | 142 | 178 | 210 | 358 | 580 |
| B | 108 | 122 | 139 | 122 | 139 | 162 | 162 | 189 | |
| C | 24 | 28 | 34 | 34 | 38 | 48 | 64 | 82 | |
| D | 120 | 142 | 178 | 142 | 1, , , , 78 |
210 | 210 | 210 | |
| 凈重(公斤) | 9.5 | 10 | 16 | 14 | 24 | 36 | 68 | 155 | |
| 裝箱毛重(公斤) | 12 | 13 | 20 | 17 | 28 | 45 | 83 | 193 | |
| 裝箱尺寸(長x寬x高)厘米 | 28x21x17 | 30x24x18 | 34x29x20 | 33x25x19 | 38x30x20 | 45x35x24 | 62x50x28 | 70x46x75 | |
| 起重高度每增加1米所增加的重量(公斤) | 1.7 | 1.7 | 2.3 | 2.5 | 3.7 | 5.3 | 9.7 | 19.4 | |
備注:山燕起重產品嚴格按國家包執行,產品質量由中國人民保險公司(PICC)承保,請放心使用。
山燕起重產品嚴格按國家3包執行,產品質量由中國人民保險公司(PICC)承保,請放心使用。
以上參數為常規型號,另公司可根據您的需求量身定制。
更多關于電動葫蘆的文章請關注:http://www.tcma.com.cn